ADS求解二极管倍频器的谐波输出阻抗?
05-08
看了Mass的书,书上说是用谐波平衡方法求得!Z(nf)=V(nf)/I(nf) ,但是想了很久,只知道怎么求基波输入阻抗,却没想出如何在ADS中来实现谐波输出阻抗?如果大家有了解的,希望能给些提示。先谢谢了!
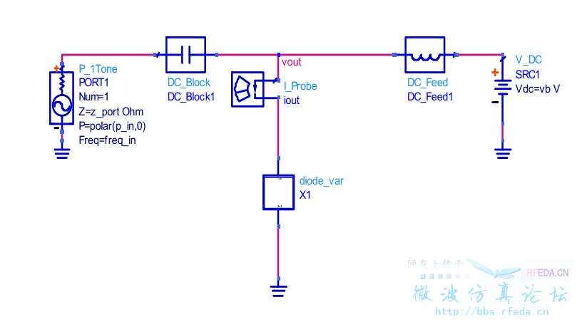
下面是求基波输入阻抗的原理图,不知道对不对...
下面是求基波输入阻抗的原理图,不知道对不对...

自顶一下
将电压和电流改写成相应的谐波电压谐波电流即可.
相关文章:
- ADS中倍频器与分频器 (05-08)
- ADS中系统仿真的倍频器怎么用的? (05-08)
- 帮忙看看倍频器匹配问题 (05-08)
- 倍频器 (05-08)
- 求教以前做过或者了解倍频器的(有关匹配) (05-08)
- 有人对倍频器了解么? (05-08)
射频专业培训教程推荐











