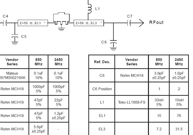
请问传输线中的EL参数是什么意思呢?有图
12-12
下面的表格中有它的取值,是没有单位的值,不明白这个意思是什么
应该是电长度
我想也是,但是要注意单位
电长度的计算有以下两种:
1、EL=几何长度/波长 (unitless)
2、EL=2×PI×几何长度/波长 (in rad or deg)
根据表中给出的数据以及图中EL右边的小圈,我猜测这里EL采用的单位是deg
否则这两段传输线的走线也太长了
PS:两段传输线之间那个方形元件是什么?
那个是三极管啊。
疑似 Electrical Length ,是个比值,所以没有单位
相关文章:
- 传输线的特性阻抗有什么工程意义?? (05-08)
- 一个关于传输线的问题(05-08)
- microstrip 传输线在 RFIC 中的应用?(05-08)
- 请教个传输线测量问题(05-08)
- 频率依赖的传输线是什么意思啊?(05-08)
- 片上传输线用ADS Momentum哪种仿真模式?(05-08)
射频专业培训教程推荐











