大家帮忙分析机顶盒tuner电路
12-10
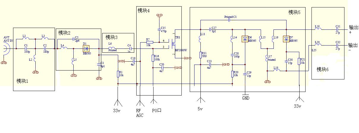
附件中是一个机顶盒的接收电路,请大牛们帮忙分析分析!
Where is the IF AGC and how to set RF freq?
相关文章:
- 请问关于dvb-s和dvb-c机顶盒的中频输出(05-08)
- 请问什么是 电磁兼容 和 信号完整性分析 ? (05-08)
- 微波矢量网络分析仪哪家比较好? (05-08)
- 用过serenade的看过来(05-08)
- 做信号完整性分析好不好?(05-08)
- 分析一下这个天线吧(05-08)
射频专业培训教程推荐











