高频PCB设计中出现的干扰分析及对策
05-08
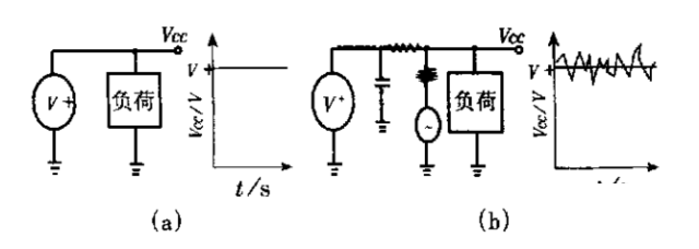
PCB板的设计中 ,随着频率的迅速提高 ,将出现与低频 PCB板设计所不同的诸多干扰 ,并且 ,随着频率的提高和PCB板的小型化和低成本化之间的矛盾日益突出 ,这些干扰越来越多也越来越复杂。在实际的研究中 ,我们归纳起来 ,主要有四方面的干扰存在,主要有电源噪声、传输线干扰、耦合、电磁干扰(EMI)四个方面。通过分析高频PCB的各种干扰问题,结合工作中实践,提出了有效的解决方案。一、电源噪声高频电路中,电源所带有的噪声对高频信号影响尤为明显。因此,首先要求电源是低噪声的。在这里,干净的地和干净的电源同样重要,为什么呢?电源特性如图1所示。很明显,电源是具有一定阻抗的,并且阻抗是分布在整个电源上的,因此,噪声也会叠加在电源上。那么我们就应该尽可能地减小电源的阻抗,所以最好要有专有的电源层和接地层。在高频电路设计中,电源以层的形式设计,在大多数情况下都比以总线的形式设计要好得多,这样回路总可以沿着阻抗最小的路径走。此外电源板还得为PCB上所有产生和接受的信号提供一个信号回路,这样可以最小化信号回路,从而减小噪声,这点常常为低频电路设计人员所忽视。
图1 电源特性PCB设计中消除电源噪声的方法有如下几种。1、注意板上通孔:通孔使得电源层上需要刻蚀开口以留出空间给通孔通过。而如果电源层开口过大,势必影响信号回路,信号被迫绕开,回路面积增大,噪声加大。同时如果一些信号线都集中在开口附近,共用这一段回路,公共阻抗将引发串扰。如图2所示。
图2 旁路信号回路的公共路径2、连接线需要足够多的地线:每一信号需要有自己的专有的信号回路,而且信号和回路的环路面积尽可能小,也就是说信号与回路要并行。3、模拟与数字电源的电源要分开:高频器件一般对数字噪音非常敏感,所以两者要分开,在电源的入口处接在一起,若信号要跨越模拟和数字两部分的话,可以在信号跨越处放置一条回路以减小环路面积。用于信号回路的数模间的跨越如图3 所示。
图3 用于信号回路的数模间的跨越4、避免分开的电源在不同层间重叠:否则电路噪声很容易通过寄生电容耦合过去。5、隔离敏感元件:如PLL。6、放置电源线:为减小信号回路,通过放置电源线在信号线边上来实现减小噪声,如图4所示。
图4 信号线边上放置电源线二、传输线在PCB中只可能出现两种传输线:带状线和微波线,传输线最大的问题就是反射,反射会引发出很多问题,例如负载信号将是原信号与回波信号的叠加,增加信号分析的难度;反射会引起回波损耗(回损),其对信号产生的影响与加性噪声干扰产生的影响同样严重:1、信号反射回信号源会增加系统噪声,使接收机更加难以将噪声和信号区分开来;2、任何反射信号基本上都会使信号质量降低,都会使输入信号形状上发生变化。大原则上来说,解决的办法主要是阻抗匹配(例如互连阻抗应与系统的阻抗非常匹配)但有时候阻抗的计算比较麻烦,可以参考一些传输线阻抗的计算软件。PCB设计中消除传输线干扰的方法如下:(a)、避免传输线的阻抗不连续性。阻抗不连续的点就是传输线突变的点,如直拐角、过孔等,应尽量避免。方法有:避免走线的直拐角,尽可能走45°角或者弧线,大弯角也可以;尽可能少用过孔,因为每个过孔都是阻抗不连续点,如图5所示;外层信号避免通过内层,反之亦然。
图5 消除传输线干扰的方法(b)、不要用桩线。因为任何桩线都是噪声源。如果桩线短,可在传输线的末端端接就可以了;如果桩线长,会以主传输线为源,产生很大的反射,使问题复杂化,建议不要使用。三、耦合1、公共阻抗耦合:是一种常见的耦合通道即干扰源和被干扰设备往往共用某些导体(例如回路电源、总线、公共接地等),如图6所示。
图6 公共阻抗耦合在该通道上,Ic的下降回在串联的电流回路中引起共模电压,影响接收机。2、场共模耦合将引起辐射源在由被干扰电路形成的环路和公共参考面上引起共模电压。如果磁场占主要地位,在串联地回路中产生的共模电压的值是Vcm=-(△B/△t)*面积(式中的△B=磁感应强度的变化量)如果是电磁场,已知它的电场值时,其感应电压:Vcm=(L*h*F*E)/48,公式适用于L(m)=150MHz以下,超过这个限制,最大感应电压的计算可简化为:Vcm=2*h*E。3、差模场耦合:指直接的辐射被导线对或电路板上的引线及其回路所感应接收.如果尽量靠近两根导线。这种耦合会大大减小,所以可以将两根导线绞在一起来减小干扰。4、线间耦合(串扰)可以使任何线等于并联电路间发生不希望有的耦合,严重的将大大损害系统的性能。其种类可分为容性串扰和感性串扰。前者是因为线间的寄生电容使得噪声源上的噪声通过电流的注入耦合到噪声接收线上;后者可以被想象成信号在一个不希望有的寄生变压器初次级间的耦合。感性串扰的大小取决于两个环路的靠近程度和环路面积的大小,及所影响的负载的阻抗。5、电源线耦合:是指交流或直流电源线受到电磁干扰后,电源线又将这些干扰传输到其他设备上。PCB设计中消除串扰的方法有如下几种:1、两种串扰的大小均随负载阻抗的增大而增大,所以应对由串扰引起的干扰敏感的信号线进行适当的端接。2、尽可能地增大信号线间的距离,可以有效地减少容性串扰。进行接地层管理,在布线之间进行间隔(例如对有源信号线和地线进行隔离,尤其在状态发生跳变的信号线和地之间更要进行间隔)和降低引线电感。3、在相邻的信号线间插入一根地线也可以有效减小容性串扰,这根地线需要每1/4波长就接入地层。4、对于感性串扰,应尽量减小环路面积,如果允许的话,消除这个环路。5、避免信号共用环路。6、关注信号完整性:设计者要在焊接过程中实现端接来解决信号完整性。采用这种办法的设计者可专注屏蔽用铜箔的微带长度,以便获得信号完整性的良好性能。对于在通信结构中采用密集连接器的系统,设计者可用一块PCB作端接。四、电磁干扰随着速度的提升,EMI将变得越来越严重,并表现在很多方面上(例如互连处的电磁干扰),高速器件对此尤为敏感,它会因此接收到高速的假信号,而低速器件则会忽视这样的假信号。PCB设计中消除电磁干扰的方法有如下几种:1、减小环路:每个环路都相当于一个天线,因此我们需要尽量减小环路的数量,环路的面积以及环路的天线效应。确保信号在任意的两点上只有唯一的一条回路路径,避免人为环路,尽量使用电源层。2、滤波:在电源线上和在信号线上都可以采取滤波来减小EMI,方法有三种:去耦电容、EMI滤波器、磁性元件。EMI滤波器如图7所示。
图7 滤波器的类型3、屏蔽。由于篇幅问题再加上讨论屏蔽的文章很多,不再具体介绍。4、尽量降低高频器件的速度。5、增加PCB板的介电常数,可防止靠近板的传输线等高频部分向外辐射;增加PCB板的厚度,尽量减小微带线的厚度,可以防止电磁线的外溢,同样可以防止辐射。讨论到此我们可以总结一下在高频PCB设计中,我们应该遵循下面的原则:1、电源与地的统一,稳定。2、仔细考虑的布线和合适的端接可以消除反射。3、仔细考虑的布线和合适的端接可以减小容性和感性串扰。4、需要抑制噪声来满足EMC要求。来源:文库; RFsister编辑整理,作者:李勇明,曾孝平推荐阅读1.小结EMC整改常用方法;2.常见RFID标签类型及其应用场景;3.无线充电迈向中功率 线圈磁材选用定成败;4.IPhone与磁性材料形影不离;5.电磁兼容术语中英文对照;6.分享几个提高电磁兼容性的策略!;7.NFC移动支付 PK 微信支付及支付宝!;8.隔磁片在无线充电器中有什么作用?;9.LED驱动电源如何进行EMC整改?;10.中兴新能源汽车副总:无线充电十年内将颠覆用户习惯;11.RFID行业:这是最好的时代,也是最坏的时代;12.产品EMC辐射发射超标原因有哪些?。13.电子产品20多种认证,不信你都知道!请收下我的膝盖.直接在公众号(需先关注)对话框回复序列号即可查看,例如“1”。喜欢就关注我们吧!欢迎并感谢您分享转发朋友圈!我们的宗旨做最认真的公众号欢迎关注长按下方二维码识别即可免费关注
免责声明:部分资料来源于网络,转载的目的在于传递更多信息及分享,并不意味着赞同其观点或证实其真实性,也不构成其他建议,仅提供交流平台,不为其版权负责。如涉及侵权,请联系我们及时修改或删除。邮箱:yyj@szph.com.cn
图1 电源特性PCB设计中消除电源噪声的方法有如下几种。1、注意板上通孔:通孔使得电源层上需要刻蚀开口以留出空间给通孔通过。而如果电源层开口过大,势必影响信号回路,信号被迫绕开,回路面积增大,噪声加大。同时如果一些信号线都集中在开口附近,共用这一段回路,公共阻抗将引发串扰。如图2所示。
图2 旁路信号回路的公共路径2、连接线需要足够多的地线:每一信号需要有自己的专有的信号回路,而且信号和回路的环路面积尽可能小,也就是说信号与回路要并行。3、模拟与数字电源的电源要分开:高频器件一般对数字噪音非常敏感,所以两者要分开,在电源的入口处接在一起,若信号要跨越模拟和数字两部分的话,可以在信号跨越处放置一条回路以减小环路面积。用于信号回路的数模间的跨越如图3 所示。
图3 用于信号回路的数模间的跨越4、避免分开的电源在不同层间重叠:否则电路噪声很容易通过寄生电容耦合过去。5、隔离敏感元件:如PLL。6、放置电源线:为减小信号回路,通过放置电源线在信号线边上来实现减小噪声,如图4所示。
图4 信号线边上放置电源线二、传输线在PCB中只可能出现两种传输线:带状线和微波线,传输线最大的问题就是反射,反射会引发出很多问题,例如负载信号将是原信号与回波信号的叠加,增加信号分析的难度;反射会引起回波损耗(回损),其对信号产生的影响与加性噪声干扰产生的影响同样严重:1、信号反射回信号源会增加系统噪声,使接收机更加难以将噪声和信号区分开来;2、任何反射信号基本上都会使信号质量降低,都会使输入信号形状上发生变化。大原则上来说,解决的办法主要是阻抗匹配(例如互连阻抗应与系统的阻抗非常匹配)但有时候阻抗的计算比较麻烦,可以参考一些传输线阻抗的计算软件。PCB设计中消除传输线干扰的方法如下:(a)、避免传输线的阻抗不连续性。阻抗不连续的点就是传输线突变的点,如直拐角、过孔等,应尽量避免。方法有:避免走线的直拐角,尽可能走45°角或者弧线,大弯角也可以;尽可能少用过孔,因为每个过孔都是阻抗不连续点,如图5所示;外层信号避免通过内层,反之亦然。
图5 消除传输线干扰的方法(b)、不要用桩线。因为任何桩线都是噪声源。如果桩线短,可在传输线的末端端接就可以了;如果桩线长,会以主传输线为源,产生很大的反射,使问题复杂化,建议不要使用。三、耦合1、公共阻抗耦合:是一种常见的耦合通道即干扰源和被干扰设备往往共用某些导体(例如回路电源、总线、公共接地等),如图6所示。
图6 公共阻抗耦合在该通道上,Ic的下降回在串联的电流回路中引起共模电压,影响接收机。2、场共模耦合将引起辐射源在由被干扰电路形成的环路和公共参考面上引起共模电压。如果磁场占主要地位,在串联地回路中产生的共模电压的值是Vcm=-(△B/△t)*面积(式中的△B=磁感应强度的变化量)如果是电磁场,已知它的电场值时,其感应电压:Vcm=(L*h*F*E)/48,公式适用于L(m)=150MHz以下,超过这个限制,最大感应电压的计算可简化为:Vcm=2*h*E。3、差模场耦合:指直接的辐射被导线对或电路板上的引线及其回路所感应接收.如果尽量靠近两根导线。这种耦合会大大减小,所以可以将两根导线绞在一起来减小干扰。4、线间耦合(串扰)可以使任何线等于并联电路间发生不希望有的耦合,严重的将大大损害系统的性能。其种类可分为容性串扰和感性串扰。前者是因为线间的寄生电容使得噪声源上的噪声通过电流的注入耦合到噪声接收线上;后者可以被想象成信号在一个不希望有的寄生变压器初次级间的耦合。感性串扰的大小取决于两个环路的靠近程度和环路面积的大小,及所影响的负载的阻抗。5、电源线耦合:是指交流或直流电源线受到电磁干扰后,电源线又将这些干扰传输到其他设备上。PCB设计中消除串扰的方法有如下几种:1、两种串扰的大小均随负载阻抗的增大而增大,所以应对由串扰引起的干扰敏感的信号线进行适当的端接。2、尽可能地增大信号线间的距离,可以有效地减少容性串扰。进行接地层管理,在布线之间进行间隔(例如对有源信号线和地线进行隔离,尤其在状态发生跳变的信号线和地之间更要进行间隔)和降低引线电感。3、在相邻的信号线间插入一根地线也可以有效减小容性串扰,这根地线需要每1/4波长就接入地层。4、对于感性串扰,应尽量减小环路面积,如果允许的话,消除这个环路。5、避免信号共用环路。6、关注信号完整性:设计者要在焊接过程中实现端接来解决信号完整性。采用这种办法的设计者可专注屏蔽用铜箔的微带长度,以便获得信号完整性的良好性能。对于在通信结构中采用密集连接器的系统,设计者可用一块PCB作端接。四、电磁干扰随着速度的提升,EMI将变得越来越严重,并表现在很多方面上(例如互连处的电磁干扰),高速器件对此尤为敏感,它会因此接收到高速的假信号,而低速器件则会忽视这样的假信号。PCB设计中消除电磁干扰的方法有如下几种:1、减小环路:每个环路都相当于一个天线,因此我们需要尽量减小环路的数量,环路的面积以及环路的天线效应。确保信号在任意的两点上只有唯一的一条回路路径,避免人为环路,尽量使用电源层。2、滤波:在电源线上和在信号线上都可以采取滤波来减小EMI,方法有三种:去耦电容、EMI滤波器、磁性元件。EMI滤波器如图7所示。
图7 滤波器的类型3、屏蔽。由于篇幅问题再加上讨论屏蔽的文章很多,不再具体介绍。4、尽量降低高频器件的速度。5、增加PCB板的介电常数,可防止靠近板的传输线等高频部分向外辐射;增加PCB板的厚度,尽量减小微带线的厚度,可以防止电磁线的外溢,同样可以防止辐射。讨论到此我们可以总结一下在高频PCB设计中,我们应该遵循下面的原则:1、电源与地的统一,稳定。2、仔细考虑的布线和合适的端接可以消除反射。3、仔细考虑的布线和合适的端接可以减小容性和感性串扰。4、需要抑制噪声来满足EMC要求。来源:文库; RFsister编辑整理,作者:李勇明,曾孝平推荐阅读1.小结EMC整改常用方法;2.常见RFID标签类型及其应用场景;3.无线充电迈向中功率 线圈磁材选用定成败;4.IPhone与磁性材料形影不离;5.电磁兼容术语中英文对照;6.分享几个提高电磁兼容性的策略!;7.NFC移动支付 PK 微信支付及支付宝!;8.隔磁片在无线充电器中有什么作用?;9.LED驱动电源如何进行EMC整改?;10.中兴新能源汽车副总:无线充电十年内将颠覆用户习惯;11.RFID行业:这是最好的时代,也是最坏的时代;12.产品EMC辐射发射超标原因有哪些?。13.电子产品20多种认证,不信你都知道!请收下我的膝盖.直接在公众号(需先关注)对话框回复序列号即可查看,例如“1”。喜欢就关注我们吧!欢迎并感谢您分享转发朋友圈!我们的宗旨做最认真的公众号欢迎关注长按下方二维码识别即可免费关注
免责声明:部分资料来源于网络,转载的目的在于传递更多信息及分享,并不意味着赞同其观点或证实其真实性,也不构成其他建议,仅提供交流平台,不为其版权负责。如涉及侵权,请联系我们及时修改或删除。邮箱:yyj@szph.com.cn 相关文章:
- 变频器控制回路的抗干扰措施(05-08)
- 请教一下有什么方法可以测试某个环境中的干扰(05-08)
- 变频器的谐波干扰与抑制办法(05-08)
- 变频器产生的电磁干扰(EMI)及解决对策(05-08)
- 解析几种有效开关电源电磁干扰抑制(05-08)
- CST如何仿真材料干扰抑制性能(05-08)
射频专业培训教程推荐











