淘宝官方店     推荐课程     在线工具     联系方式     关于我们  
 
 

微波射频仿真设计   Ansoft Designer 中文培训教程   |   HFSS视频培训教程套装

 

Agilent ADS 视频培训教程   |   CST微波工作室视频教程   |   AWR Microwave Office

          首页 >> Ansoft Designer >> Ansoft Designer在线帮助文档


Ansoft Designer / Ansys Designer 在线帮助文档:


Nexxim Simulator >
Nexxim Component Models >
Coplanar Waveguide Elements >
   Rectangular Inductor       

Rectangular Inductor


 

[spacer] [spacer]

Netlist Format

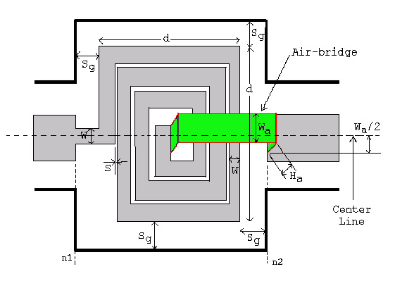
An instance of a coplanar waveguide rectangular inductor has the following netlist syntax:

Axxx n1 N=val D=val W=val S=val] HA=val WA=val SG=val T=val]
RB=val COMPONENT=cpwreci SUBSTRATE=substrate_name

n1 is the name of the node attached to the rectangular inductor. The entry COMPONENT=cpwreci identifies the element as a coplanar waveguide open stub, physical length.

The SUBSTRATE=substrate_name is the coplanar waveguide substrate model name selected for the design (see Selecting a Coplanar Waveguide Substrate for details).

 


Coplanar Waveguide Rectangular Inductor Instance Parameters

Parameter

Description

Units

Default

N

Number of turns

None

5.5

D

Spiral outer dimension

Meter

10e-3

W

Conductor width

Meter

0.5e-3

S

Spacing between turns

Meter

0.2e-3

HA

Height of air bridge

Meter

3.0e-6

WA

Width of air bridge

Meter

10e-6

SG

Distance to ground plane

Meter

0.5e-6

T

Conductor thickness

Meter

Substrate Metallization

RB

Bulk resistivity

m-Ohm/cm

Substrate Metallization


Netlist Example

A2 Port1 Port2 D=12e-3 N=4 W=0.6e-3 S=0.3e-3 HA=7e-6 WA=11e-6 SG=0.4e-6 COMPONENT=cpwreci SUBSTRATE=CPW1

where CPW1, the selected layout technology or substrate type, has a definition such as:

.SUB CPW1 CPW(
+ H=0.001524 Er=4.4 TAND=0.02 HU=2.54E-4 HL=2.54e-4
+ MET1=1.724137931034483 T1=2.54e-5 RGH=0)

Notes

1. This model is not recommended beyond the first resonant frequency.

2. The model is restricted to a square CPW spiral.

3. An error occurs if the size of the inductor cannot accomodate the specified number of turns.

4. The number of turns N has to be an integer multiple of half a turn, i.e., 0.5, 1, 1.5, …

 




HFSS视频教学培训教程 ADS2011视频培训教程 CST微波工作室教程 Ansoft Designer 教程

                HFSS视频教程                                      ADS视频教程                               CST视频教程                           Ansoft Designer 中文教程


 

      Copyright © 2006 - 2013   微波EDA网, All Rights Reserved    业务联系:mweda@163.com