淘宝官方店     推荐课程     在线工具     联系方式     关于我们  
 
 

微波射频仿真设计   Ansoft Designer 中文培训教程   |   HFSS视频培训教程套装

 

Agilent ADS 视频培训教程   |   CST微波工作室视频教程   |   AWR Microwave Office

          首页 >> Ansoft Designer >> Ansoft Designer在线帮助文档


Ansoft Designer / Ansys Designer 在线帮助文档:


Designer File Formats >
   Nexxim Netlist Format >
       Subcircuits >
           Example with Subcircuits               


Example with Subcircuits

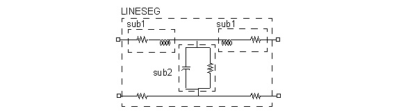
As an example for use in later discussions, Figure 1 diagrams the circuit topology of a segment of lossy transmission line. Netlist examples to follow will show how this circuit can be implemented with subcircuits:

Figure 1. Lossy Transmission Line Segment with Subcircuits

Here are example netlist definitions for the two internal subcircuits. Later netlist examples will show how to combine the subcircuits into a multi-segment transmission line and illustrate how to modify these definitions to incorporate additional features of subcircuits.

.SUBCKT sub1 sub1in sub1out

R1 sub1in sub1local ser_res

L1 sub1local sub1out ser_ind

.ENDS

.SUBCKT sub2 sub2in sub2out

C3 sub2in sub2out par_cap

R3 sub2in sub2out par_res

.ENDS

 

Note

This example is just for demonstration purposes, not to be used in an actual circuit. The U transmission line model in the Nexxim device library allows you to specify both the overall line length and the number of lumped line segments to be used to simulate the transmission line, so you do not have to construct the line segment by segment.




HFSS视频教学培训教程 ADS2011视频培训教程 CST微波工作室教程 Ansoft Designer 教程

                HFSS视频教程                                      ADS视频教程                               CST视频教程                           Ansoft Designer 中文教程


 

      Copyright © 2006 - 2013   微波EDA网, All Rights Reserved    业务联系:mweda@163.com