淘宝官方店     推荐课程     在线工具     联系方式     关于我们  
 
 

微波射频仿真设计   Ansoft Designer 中文培训教程   |   HFSS视频培训教程套装

 

Agilent ADS 视频培训教程   |   CST微波工作室视频教程   |   AWR Microwave Office

          首页 >> Ansoft Designer >> Ansoft Designer在线帮助文档


Ansoft Designer / Ansys Designer 在线帮助文档:


Design Verification >
   Design Verification Commands >
       Geometry Checking Commands >
           OverhangTo Commands                


OverhangTo Commands

This section describes the following OverhangTo commands:

• OverhangToErrors

• OverhangToPolygons

• OverhangToEdges

 

Input: One or two DV layers (containing polygons)

           Constraint (operator and distance)

           Measurement region qualifier (optional)

           Orientation Qualifiers (optional)

           Intersecting Edge qualifier (optional)

           Raw/Merged qualifier (optional)

 

Output: DV layer – Type varies with the command. OverhangToErrors outputs a DV layer containing error clusters. OverhangToPolygons outputs a DV layer containing polygons. OverhangToEdges outputs a DV layer containing edges.

 

Description: Overhang is the distance between edges, of intersecting geometry, that face each other, one from the inside and one from the outside. The single layer version checks the overlap between different geometries on the same layer. Overhang from one to the other, both ways, is checked on each pair of geometry. The two layer version checks the overhang of geometry on the first layer from geometry on the second layer. This is an edge to edge check, not corner to corner, or corner to edge.

 

This is not a symmetric operation. The order of the input layers does change the results.

 

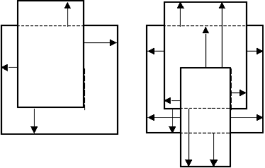
An edge is considered to overhang another edge if the two geometries intersect but neither contains the other and the first edge is inside facing and the other edge is outside facing. Arrows in the following diagrams indicate edge pairs where an edge of the geometry with dots overhangs an edge of the white geometry.

 

 

 

Edges are considered to face each other for overhang checking only if the angle between the inside of one edge and the outside of the other is less than 180 degrees. Collinear edges are not considered facing. The following diagram illustrates angles between inside/outside edges:

 

The arrows in the following figures indicate the edge pairs that are checked when considering the facing requirement and using default orientation and intersecting qualifiers: Acute Also, Not Obtuse, Parallel Also, Not Perpendicular, and Not Intersecting:

 

Single Layer Overhang

Two Layer Overhang

The first layer has the dot fill pattern and the second layer is empty. The command looks for the overhang of dot geometry from white geometry.

 

 

• OverhangToError results are clusters of segments that meet the specified constraint. Each error segment indicates the portion of the geometry edge that meets the constraint. The error clusters are returned in a DV layer. The heavy lines in the illustration that follows show the portions of edges that are returned as one error cluster.

 

 

• OverhangToPolygons results are any polygons that have at least one edge that meets the specified constraints. The polygons are returned in a DV layer. Both polygons in the following illustration are returned.

 

 

• OverhangToEdges results are segments of edges that meet the specified constraints. These segments retain information about the polygon they were created from. This information allows the edges to be used as input to other DV commands. The segments are returned in a DV layer. The heavy lines in the illustration that follows show the segments that are returned as edges. They are not clustered, and they retain information about the directions inside and outside of the polygon and sibling relationship.

 

The constraint amount may be given with or without units. If no units are specified the current default length units are used.

 

Supported operators:

          <   Less than

          <= Less than or equal to

          == Equal to

          >   Greater than

          >= Greater than or equal to

 

Qualifiers may be specified to constrain the edges checked. The defaults, if qualifiers are not specified, are Round (measurement region), Acute Also, Not Obtuse, Parallel Also, Not Perpendicular, Not Adjacent, and Merged (geometry).

 

Example (JScript):

var layer1 = DVChecker.ImportLayer("trace");

var overhangLayer1 = DVChecker.OverhangToErrors(Array("<", "5mm"), layer1,

Array( "Round", "Acute Also", "Not Obtuse", "Parallel Also",

"Not Perpendicular"));

DVChecker.SaveLayer(overhangLayer1, "overhang errors",

"overhang < 5 on trace layer");

var layer2 = DVChecker.ImportLayer("ground");

var overhangLayer2 = DVChecker.OverhangToErrors(Array("<", 5), layer1,

layer2, Array( "Round", "Acute Also", "Not Obtuse", "Parallel Also"));

DVChecker.SaveLayer(overhangLayer2, "overhang errors",

"trace overhanging ground by < 5");

 




HFSS视频教学培训教程 ADS2011视频培训教程 CST微波工作室教程 Ansoft Designer 教程

                HFSS视频教程                                      ADS视频教程                               CST视频教程                           Ansoft Designer 中文教程


 

      Copyright © 2006 - 2013   微波EDA网, All Rights Reserved    业务联系:mweda@163.com