淘宝官方店     推荐课程     在线工具     联系方式     关于我们  
 
 

微波射频仿真设计   Ansoft Designer 中文培训教程   |   HFSS视频培训教程套装

 

Agilent ADS 视频培训教程   |   CST微波工作室视频教程   |   AWR Microwave Office

          首页 >> Ansoft Designer >> Ansoft Designer在线帮助文档


Ansoft Designer / Ansys Designer 在线帮助文档:


Nexxim Simulator >
Nexxim Component Models >
Grounded Coplanar Waveguide Elements >
   Transmission Line, Physical Length with Reference       

Transmission Line, Physical Length with Reference


 

[spacer]

Netlist Format

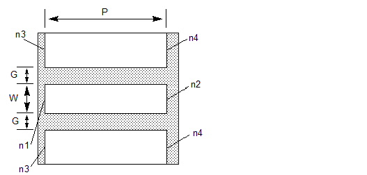
An instance of a grounded coplanar waveguide transmission line, physical length with reference has the following netlist syntax:

Axxx n1 n2 n3 n4 [W=val] [G=val]
COMPONENT=gcpwtrl SUBSTRATE=substrate_name

n1 and n2 are the names of the nodes attached to the transmission line. n3 and n4 are the reference nodes. The entry COMPONENT=gcpwtrl identifies the element as a grounded coplanar waveguide transmission line, physical length.

The SUBSTRATE=substrate_name is the grounded coplanar waveguide substrate model name selected for the design (see Selecting a Grounded Coplanar Waveguide Substrate for details).

 


Grounded Coplanar Waveguide Transmission Line, Physical Length with Reference Instance Parameters

Parameter

Description

Units

Default

W

Width of center conductor

Meter

1.0e-3

G

Slot gap width

Meter

1.0e-3

P

Physical length

Meter

1.0e-2


Netlist Example

A5 Port1 Port2 Port3 Port4 W=0.75e-3 G=1.1e-3 P=2e-2 COMPONENT=gcpwtrl SUBSTRATE=GCPW1

where GCPW1, the selected layout technology or substrate type, has a definition such as:

.SUB GCPW1 GCPW(
+ H=0.001524 Er=4.4 TAND=0.02 HU=2.54E-4
+ MET1=1.724137931034483 T1=2.54e-5 RGH=0)

Notes

1. Conformal mapping technique is used in the analysis, in which quasi-TEM behavior is assumed. Dispersion is not included in the model.

 




HFSS视频教学培训教程 ADS2011视频培训教程 CST微波工作室教程 Ansoft Designer 教程

                HFSS视频教程                                      ADS视频教程                               CST视频教程                           Ansoft Designer 中文教程


 

      Copyright © 2006 - 2013   微波EDA网, All Rights Reserved    业务联系:mweda@163.com