|
微波射频仿真设计 |
|
| 首页 >> Ansoft Designer >> Ansoft Designer在线帮助文档 |
|
Nexxim Simulator > Rectangular Inductor
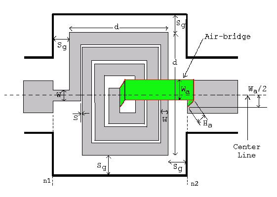
![]() ![]() Netlist FormatAn instance of a coplanar waveguide rectangular inductor has the following netlist syntax: Axxx n1 N=val D=val
W=val S=val] HA=val WA=val
SG=val T=val] n1 is the name of the node attached to the rectangular inductor. The entry COMPONENT=cpwreci identifies the element as a coplanar waveguide open stub, physical length. The SUBSTRATE=substrate_name is the coplanar waveguide substrate model name selected for the design (see Selecting a Coplanar Waveguide Substrate for details).
Netlist ExampleA2 Port1 Port2 D=12e-3 N=4 W=0.6e-3 S=0.3e-3 HA=7e-6 WA=11e-6 SG=0.4e-6 COMPONENT=cpwreci SUBSTRATE=CPW1 where CPW1, the selected layout technology or substrate type, has a definition such as: .SUB CPW1 CPW( Notes1. This model is not recommended beyond the first resonant frequency. 2. The model is restricted to a square CPW spiral. 3. An error occurs if the size of the inductor cannot accomodate the specified number of turns. 4. The number of turns N has to be an integer multiple of half a turn, i.e., 0.5, 1, 1.5, …
HFSS视频教程 ADS视频教程 CST视频教程 Ansoft Designer 中文教程 |
|
Copyright © 2006 - 2013 微波EDA网, All Rights Reserved 业务联系:mweda@163.com |
|