淘宝官方店     推荐课程     在线工具     联系方式     关于我们  
 
 

微波射频仿真设计   Ansoft Designer 中文培训教程   |   HFSS视频培训教程套装

 

Agilent ADS 视频培训教程   |   CST微波工作室视频教程   |   AWR Microwave Office

          首页 >> Ansoft Designer >> Ansoft Designer在线帮助文档


Ansoft Designer / Ansys Designer 在线帮助文档:


Nexxim Simulator >
Nexxim Component Models >
Microstrip Elements >
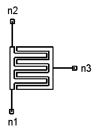
   Interdigital Capacitor, Parallel       

Interdigital Capacitor, Parallel

 

[spacer]

 

[spacer]

Netlist Form

An instance of an interdigital capacitor, parallel has the netlist format:

AMSICAPPxxxx n1 n2 N=val W=val S=val L=val WT=val WF1=val WF2=val WCA=val GAP=val COMPONENT=icap_parallel SUBSTRATE=substrate_name

n1 and n2 are the names of the nodes attached to the capacitor. The entry COMPONENT=icap_parallel identifies the element.

The entry SUBSTRATE=substrate_name identifies the microstrip substrate model name selected for the design (see Selecting a Microstrip Substrate). See the Microstrip (MS) Substrate for information on this substrate type.

 


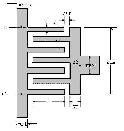
Interdigital Capacitor, Parallel Instance Parameters

Parameter

Description

Unit

Default

N

Number of fingers

None

3

W

Width of fingers

Meter

1e-3

S

Spacing between fingers

Meter

1e-3

L

Length of overlap between fingers

Meter

2e-3

WT

Width of terminal strip

Meter

0.75e-3

WF1

Width of feedline at node n1

Meter

1e-3

WF2

Width of feedline at node n2

Meter

1e-3

WCA

Width of capacitor

Meter

Calculated

GAP

Gap between end of finger and terminal strip

Meter

0.5e-3


 

Netlist Example

AMSICAPP23 net1 Port2 N=5 W=0.001 S=0.0001 L=1.0e-3
+ COMPONENT=icap_parallel SUBSTRATE=FR4

where FR4, the selected layout technology or substrate type, has a definition such as:

.SUB FR4 MS( H=7.6200e-004 Er=4.4 TAND=0.02 TANM=0
+ MSat=0 MRem=0 HU=0.00508 MET1=1.72413793103448
+ T1=1.7145e-005 RGH=0mil)

Notes

1. The output line width WF2 must be less than or equal to the total width of the capacitor: WF2 <= WCA.

2. The finger width W and the spacing between adjacent fingers S are the same for all fingers.

3. The model takes into account the effect of the step from the terminal strip to the output at node 3. A T-junction is used to model the connection bewteen the feedline and the ICAP fingers.

4. The capacitor width WCA has a default value of (N*W + S*(N-1)). WCA can be set to a value larger than the default. An error results if WCA is set to less than the default.

5. The terminal strip width WT can be set to zero. In this case, the user must set WF1=WF2=WCA. The response will not include the effects of the terminal strips and the steps. The user must add these effects using TRL and STEP elements

6. When the number of fingers N is odd, the model assumes that (N+1)/2 fingers are connected to node 1, while (N-1)/2 fingers are connected to node 2 (see dimensional diagram above).

7. The model takes into account the capacitance at the end of each finger and the small strips of length GAP at the beginning of each finger (outside the overlap region).

References

[1] J. Hobdell, “Optimization of Interdigital Capacitors,” IEEE Trans, on MTT, Sep 1979, pp. 788-791.

[2] X She, and Y Chow, Interdigital Microstrip Capacitor as a Four-Port Network,”IEEE Proc. Pt. H, June 1986, pp. 191-197.

 




HFSS视频教学培训教程 ADS2011视频培训教程 CST微波工作室教程 Ansoft Designer 教程

                HFSS视频教程                                      ADS视频教程                               CST视频教程                           Ansoft Designer 中文教程


 

      Copyright © 2006 - 2013   微波EDA网, All Rights Reserved    业务联系:mweda@163.com