淘宝官方店     推荐课程     在线工具     联系方式     关于我们  
 
 

微波射频仿真设计   Ansoft Designer 中文培训教程   |   HFSS视频培训教程套装

 

Agilent ADS 视频培训教程   |   CST微波工作室视频教程   |   AWR Microwave Office

          首页 >> Ansoft Designer >> Ansoft Designer在线帮助文档


Ansoft Designer / Ansys Designer 在线帮助文档:


Designer File Formats >
   Nexxim Netlist Format >
       Subcircuits >
           Subcircuit Parameters               


Subcircuit Parameters

The subcircuit definition can reference global netlist parameters defined with .PARAM statements external to the subcircuit block. The subcircuit definition can also define one or more local subcircuit parameters for use within the subcircuit statements. The names and values of subcircuit parameters are valid only inside the subcircuit. A subcircuit parameter can be created, or the value of an existing subcircuit parameter can be changed, by the X-element subcircuit instance statement.

The subcircuit statements can contain references to global and local parameters. A reference to a global parameter returns the value set in the external netlist. A reference to a local parameter returns the value set by the subcircuit definition or by the subcircuit instance. If both the subcircuit definition and the subcircuit instance assign values to the same local parameter, the value assigned in the subcircuit instance takes precedence. A subcircuit parameter value assigned in a subcircuit instance statement affects all references to that parameter in all subcircuits that are instantiated as a result of the called subcircuit.

Note

A subcircuit may define a parameter named M using the .param statement, but this subcircuit parameter does not affect the value of the M parameter on subcircuit instance statements or on Nexxim device instances in the subcircuit.

The example subcircuits given earlier reference the following parameters: ser_res and par_res for the serial and parallel resistors, ser_ind for the serial inductors, and par_cap for the parallel capacitor. The earlier examples do not show where the parameters get their values. Here is a more complete netlist fragment which gives definitions for all the parameters.

* Lossy transmission line fragment with parameters

.PARAM ser_res=.05

Xtrans1 send1 GND 10 20 LINESEG

Xtrans2 11 21 rcv1 GND LINESEG par_cap=.2

.SUBCKT LINESEG insig inref outsig outref ser_ind=.1

Xleft insig local1 sub1

Xright outsig local1 sub1

Xmid local1 local2 sub3

Rleft inref local2 ser_res

Rright local2 outref ser_res

.ENDS $ End of LINESEG

.SUBCKT sub1 sub1in sub1out

R1 sub1in sub1local ser_res

L1 sub1local sub1out ser_ind

.ENDS $ End of sub1

.SUBCKT sub2 sub2in sub2out par_cap=.5 par_res=.01

C3 sub2in sub2out par_cap

R3 sub2in sub2out par_res

.ENDS $ End of sub2

.END $ End of Netlist

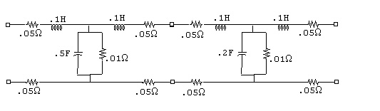
Here is the resulting circuit fragment, with device values:

Figure 2. Lossy Transmission Line Segment with Device Values

• The parallel resistors in subcircuits sub1 and LINESEG all reference the global parameter ser_res, which is set in the .PARAM statement to 0.05 Ohm.

• The serial inductors in subcircuit sub1 reference local parameter ser_ind, which is given the value 0.1 Henry in the definition of subcircuit LINESEG, which instantiates sub1.

• The parallel capacitor in subcircuit sub2 references local parameter par_cap. Parameter par_cap is given a default value 0.5 Farad in the definition of subcircuit sub2, and this value is applied in the instance of sub2 that results from the subcircuit instance Xtrans1. However, the subcircuit instance Xtrans2 sets the value of par_cap to 0.2 Farad. The subcircuit instance Xtrans2 instantiates subcircuit LINESEG, which in turn instantiates subcircuit sub2, so the subcircuit instance value of par_cap, 0.2 Farad, overrides the default.

• The parallel resistor in subcircuit sub3 references local parameter par_res. Parameter par_res is given the value 0.01 Ohm in the definition of subcircuit sub2, and this value is applied in both instances of sub2 that are created.




HFSS视频教学培训教程 ADS2011视频培训教程 CST微波工作室教程 Ansoft Designer 教程

                HFSS视频教程                                      ADS视频教程                               CST视频教程                           Ansoft Designer 中文教程


 

      Copyright © 2006 - 2013   微波EDA网, All Rights Reserved    业务联系:mweda@163.com